

LTM9010-14 - LTM9010-14是14 位、105Msps 低功率 8 通道 ADC
LTM9010-14是Linear公司的一款高速 ADC产品,LTM9010-14是14 位、105Msps 低功率 8 通道 ADC,本站介绍了LTM9010-14的封装应用图解、特点和优点、功能等,并给出了与LTM9010-14相关的凌力尔特元器件型号供参考。
LTM9010-14 - 14 位、105Msps 低功率 8 通道 ADC
LTM9010-14 - 14 位、105Msps 低功率 8 通道 ADC - Linear Technology(凌力尔特)
功能描述
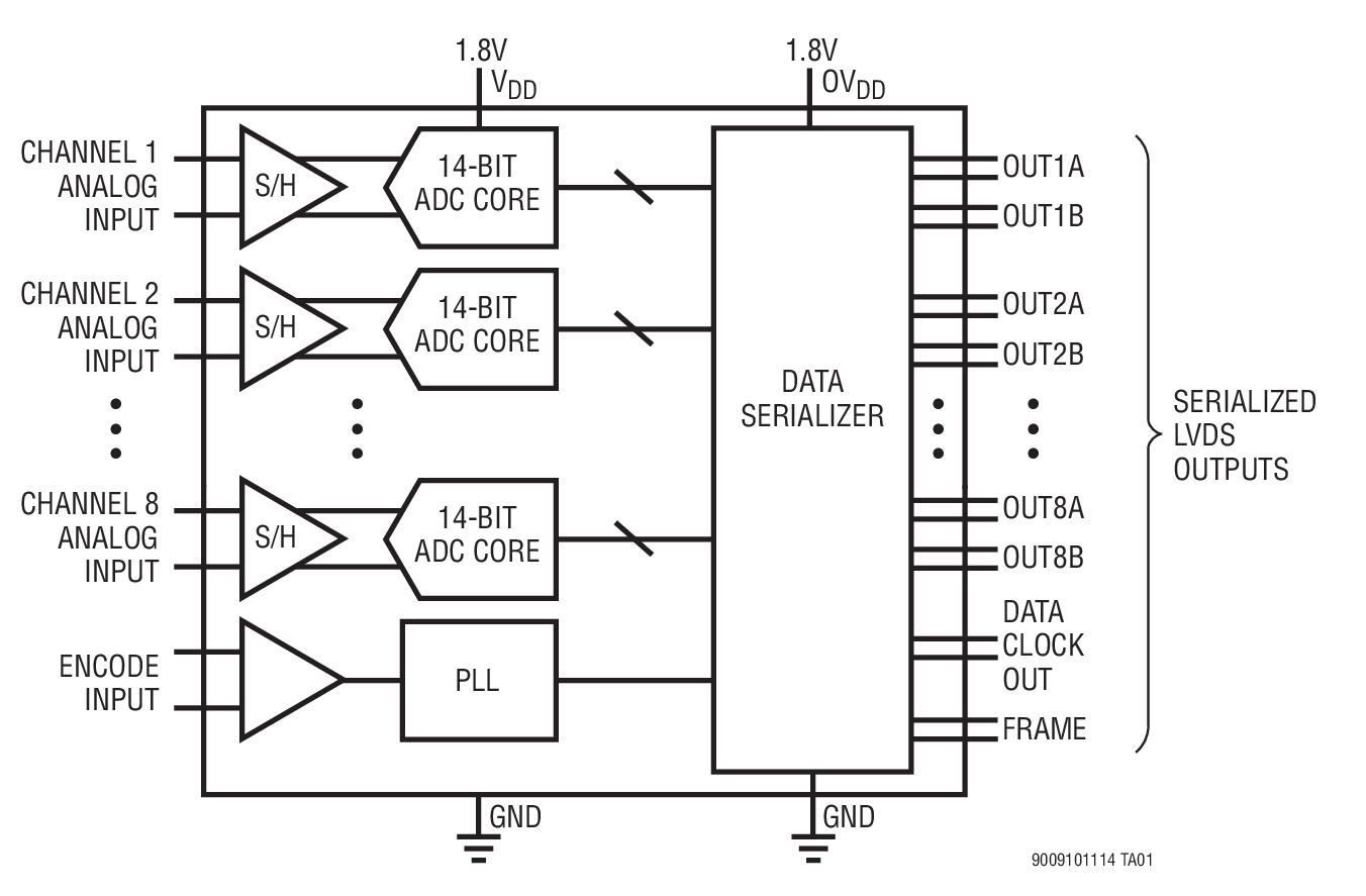
LTM9011-14 / LTM9010-14 / LTM9009-14 是 8 通道、同步采样 14 位 A/D 转换器,专为对高频、宽动态范围信号进行数字化处理而设计。其 AC 性能包括 73.1dB SNR 和 88dB 无寄生动态范围 (SFDR)。每个通道的低功耗减少了高通道数应用中的热量。集成型旁路电容和直通式引出脚配置降低了总体板极空间要求。
DC 规格包括整个温度范围内的 ±1LSB INL (典型值)、±0.3LSB DNL (典型值) 和无漏失码。转换噪声很低,仅为 1.2LSBRMS。
数字输出为串行 LVDS,旨在最大限度地减少数据线的数目。每个通道一次输出两个位 (“双线道” 模式)。在较低采样速率条件下提供了每个通道一次输出一个位的选项 (“单线道” 模式)。
可以利用一个正弦波、PECL、LVDS、TTL 或 CMOS 输入对 ENC+ 和 ENC– 输入进行差分或单端驱动。一个内部时钟占空比稳定器在全速和多种时钟占空比条件下实现了高性能。
特点
应用
以下列出了不同封装及包装形式的具体型号,并标出了直接在linear官网上订货的价格(美元)
| 器件型号 | 封装 | 温度 | 价格 (以 1 ~ 99 片为批量) | 价格 (以 1000 片为批量) |
|---|---|---|---|---|
| LTM9010CY-14#PBF | 11.25mm x 9mm x 2.72mm BGA | C | $231.43 | $162.00 |
| LTM9010IY-14#PBF | 11.25mm x 9mm x 2.72mm BGA | I | $254.57 | $178.20 |
下面可能是您感兴趣的Linear Technology(凌力尔特)元器件
下面可能是您感兴趣的Linear公司高速 ADC元器件


Linear公司产品现货专家,订购Linear公司产品不限最低起订量,Linear产品大陆现货即时发货,香港库存3-5天发货,海外库存7-10天发货
寻找全球Linear代理商现货货源 - Linear公司(凌力尔特)电子元件在线订购







