

LTC3218 - LTC3218是400mA 单线式相机 LED 充电泵
LTC3218是Linear公司的一款无电感器型 (充电泵) LED 驱动器产品,LTC3218是400mA 单线式相机 LED 充电泵,本站介绍了LTC3218的封装应用图解、特点和优点、功能等,并给出了与LTC3218相关的凌力尔特元器件型号供参考。
LTC3218 - 400mA 单线式相机 LED 充电泵
LTC3218 - 400mA 单线式相机 LED 充电泵 - Linear Technology(凌力尔特)
功能描述
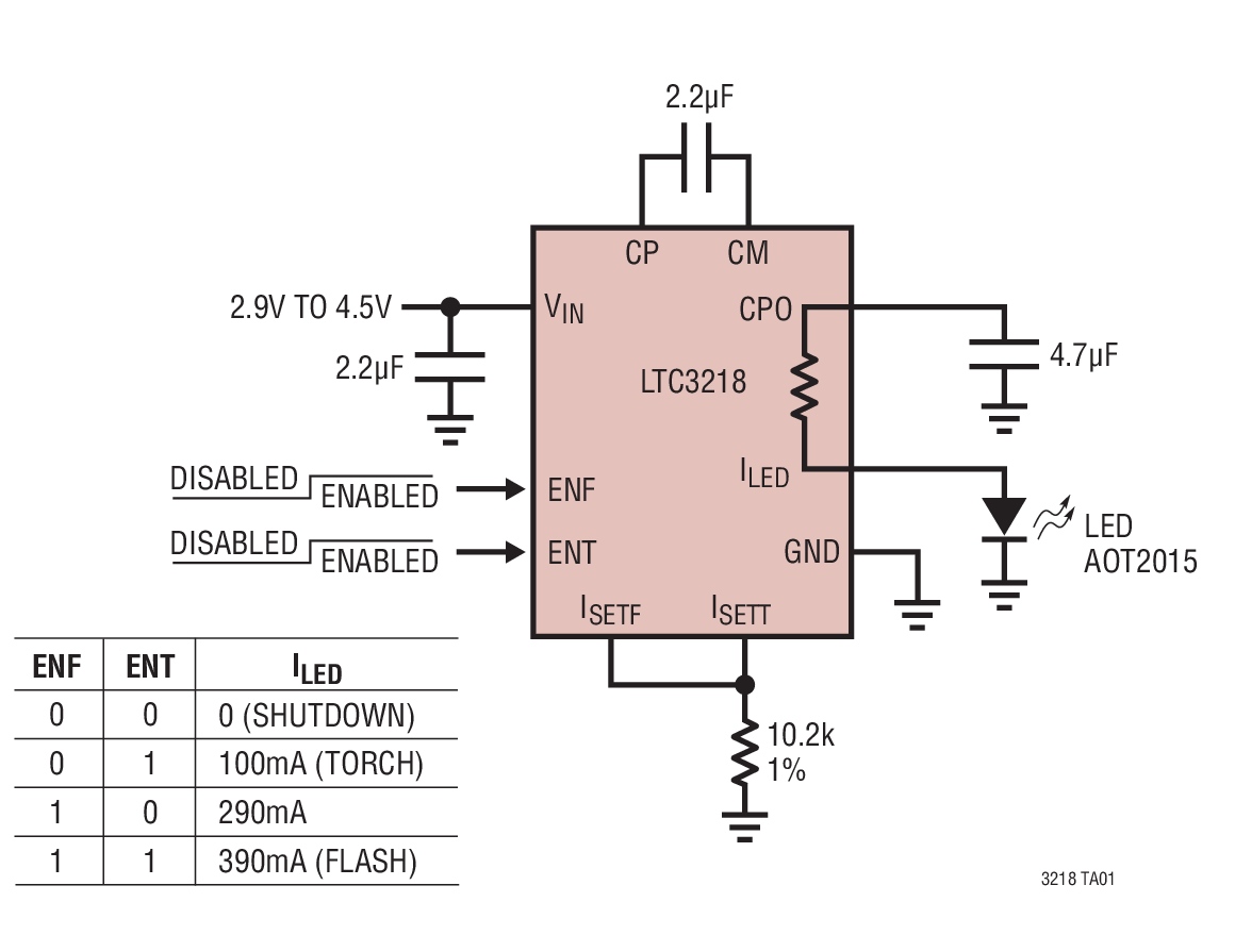
LTC3218 是一款低噪声、高电流充电泵 DC/DC 转换器,能够从一个 2.9V 至 4.5V输入以高达 400mA 的电流来驱动高电流 LED。低外部元件数目 (一个跨接电容器、两个编程电阻器以及 VIN 和 CPO 引脚上的两个旁路电容器) 使得 LTC3218 成为小型、电池供电式应用的理想选择。 内置软起动电路可防止在启动时产生过大的浪涌电流。高开关频率允许使用小的外部电容器。一个内置 2s 定时器用于在闪光灯模式期间保护 LED。
输出电流水平由一个外部电阻器来设置。LED 电流采用一个内部高压侧 220mΩ 检测电阻器来调节。自动模式切换功能通过监视充电泵两端的电压、并且仅在检测到压差时切换模式而实现了效率的优化。该器件采用扁平 3mm x 2mm 10 引脚 DFN 封装。
特点
应用
以下列出了不同封装及包装形式的具体型号,并标出了直接在linear官网上订货的价格(美元)
| 器件型号 | 封装 | 温度 | 价格 (以 1 ~ 99 片为批量) | 价格 (以 1000 片为批量) |
|---|---|---|---|---|
| LTC3218EDDB#PBF | 3x2 DFN-10 | E | $2.06 | |
| LTC3218EDDB#TRMPBF | 3x2 DFN-10 | E | $2.06 | $1.49 |
| LTC3218EDDB#TRPBF | 3x2 DFN-10 | E | $2.06 | $1.44 |
下面可能是您感兴趣的Linear Technology(凌力尔特)元器件
下面可能是您感兴趣的Linear公司无电感器型 (充电泵) LED 驱动器元器件


Linear公司产品现货专家,订购Linear公司产品不限最低起订量,Linear产品大陆现货即时发货,香港库存3-5天发货,海外库存7-10天发货
寻找全球Linear代理商现货货源 - Linear公司(凌力尔特)电子元件在线订购







