

LTC2171-14 - LTC2171-14是14 位、40Msps 低功率 4 通道 ADC
LTC2171-14是Linear公司的一款高速 ADC产品,LTC2171-14是14 位、40Msps 低功率 4 通道 ADC,本站介绍了LTC2171-14的封装应用图解、特点和优点、功能等,并给出了与LTC2171-14相关的凌力尔特元器件型号供参考。
LTC2171-14 - 14 位、40Msps 低功率 4 通道 ADC
LTC2171-14 - 14 位、40Msps 低功率 4 通道 ADC - Linear Technology(凌力尔特)
功能描述
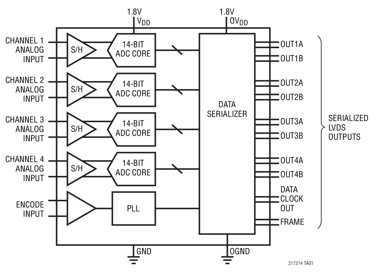
LTC2172-14 / LTC2171-14 / LTC2170-14 是 4 通道、同步采样 14 位 A/D 转换器,专为对高频、宽动态范围信号进行数字化处理而设计。这些器件非常适合要求苛刻的通信应用,其 AC 性能包括 73.7dB SNR 和 90dB 无寄生动态范围 (SFDR)。0.15psRMS 的超低抖动实现了 IF 频率的欠采样和卓越的噪声性能。
DC 规格包括整个温度范围内的 ±1LSB INL (典型值)、±0.3LSB DNL (典型值) 和无漏失码。转换噪声很低,仅为 1.2LSBRMS。
数字输出为串行 LVDS,旨在最大限度地减少数据线的数目。每个通道一次输出两个位 ("双线道" 模式) 或一个位 ("单线道" 模式)。LVDS 驱动器具有可任选的内部终端和可调输出电平,以确保干净的信号完整性。
可以利用一个正弦波、PECL、LVDS、TTL 或 CMOS 输入对 ENC+ 和 ENC- 输入进行差分或单端驱动。一个内部时钟占空比稳定器在全速和多种时钟占空比条件下实现了高性能。
特点
应用
以下列出了不同封装及包装形式的具体型号,并标出了直接在linear官网上订货的价格(美元)
| 器件型号 | 封装 | 温度 | 价格 (以 1 ~ 99 片为批量) | 价格 (以 1000 片为批量) |
|---|---|---|---|---|
| LTC2171CUKG-14#PBF | 7x8 QFN-52 | C | $57.38 | $40.16 |
| LTC2171CUKG-14#TRPBF | 7x8 QFN-52 | C | $40.26 | |
| LTC2171IUKG-14#PBF | 7x8 QFN-52 | I | $63.11 | $44.18 |
| LTC2171IUKG-14#TRPBF | 7x8 QFN-52 | I | $44.28 |
下面可能是您感兴趣的Linear Technology(凌力尔特)元器件
下面可能是您感兴趣的Linear公司高速 ADC元器件


Linear公司产品现货专家,订购Linear公司产品不限最低起订量,Linear产品大陆现货即时发货,香港库存3-5天发货,海外库存7-10天发货
寻找全球Linear代理商现货货源 - Linear公司(凌力尔特)电子元件在线订购







