

LTC2355-12 - LTC2355-12是具停机功能的串行 12 位、3.5Msps 采样 ADC
LTC2355-12是Linear公司的一款高速 ADC产品,LTC2355-12是具停机功能的串行 12 位、3.5Msps 采样 ADC,本站介绍了LTC2355-12的封装应用图解、特点和优点、功能等,并给出了与LTC2355-12相关的凌力尔特元器件型号供参考。
LTC2355-12 - 具停机功能的串行 12 位、3.5Msps 采样 ADC
LTC2355-12 - 具停机功能的串行 12 位、3.5Msps 采样 ADC - Linear Technology(凌力尔特)
功能描述
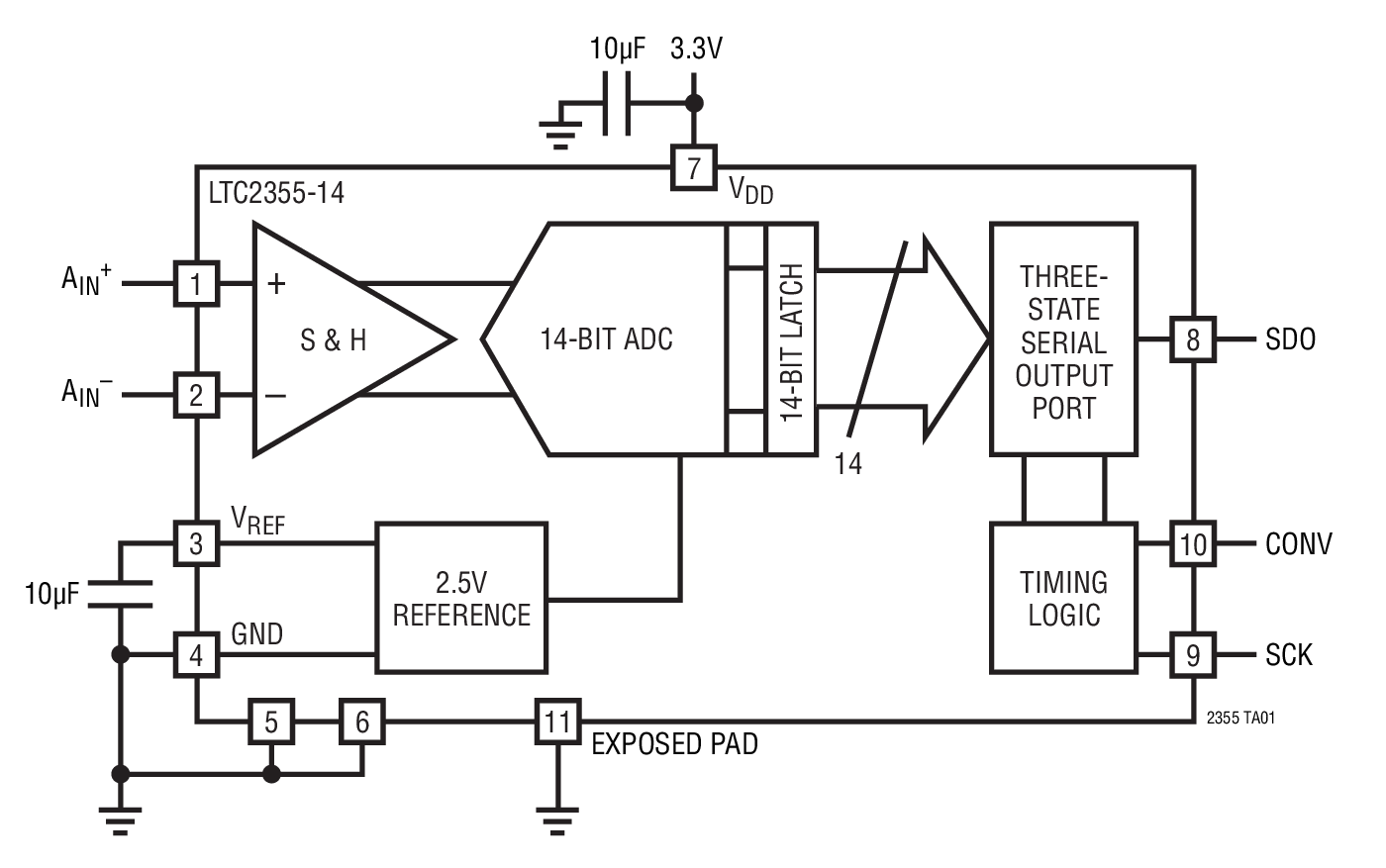
LTC2355-12/LTC2355-14 是采用差分输入的 12 位/14 位、3.5Msps 串行 ADC。这些器件仅从单 3.3V 电源吸收 5.5mA 电流,并采用纤巧型 10 引脚 MSOP 封装。一种睡眠停机功能电路能够进一步将功耗降低至 13μW。速度、低功率与纤巧型封装的组合使 LTC2355-12/LTC2355-14 成为高速、便携式应用的合适之选。
80dB 的共模抑制使用户能够通过对来自信号源的信号进行差分测量以免除接地环路和共模噪声。
这些器件可对 0V 至 2.5V 单极输入进行差分转换。AIN+ 和 AIN— 的绝对电压摆幅从地电位扩展至电源电压。
串行接口在一个 CONV 上升沿之后的 16 个时钟周期中发送转换结果,以获得与标准串行接口的兼容性。如果在位于转换操作其间的数据流之后提供两个额外的时钟周期以用作采集时间,则在使用一个 63MHz 时钟的情况下能够实现 3.5Msps 的全采样速率。
特点
应用
以下列出了不同封装及包装形式的具体型号,并标出了直接在linear官网上订货的价格(美元)
| 器件型号 | 封装 | 温度 | 价格 (以 1 ~ 99 片为批量) | 价格 (以 1000 片为批量) |
|---|---|---|---|---|
| LTC2355CMSE-12#PBF | MS-10E | C | $7.25 | $4.95 |
| LTC2355CMSE-12#TRPBF | MS-10E | C | $7.31 | $5.01 |
| LTC2355IMSE-12#PBF | MS-10E | I | $8.70 | $5.94 |
| LTC2355IMSE-12#TRPBF | MS-10E | I | $8.76 | $6.01 |
下面可能是您感兴趣的Linear Technology(凌力尔特)元器件
下面可能是您感兴趣的Linear公司高速 ADC元器件


Linear公司产品现货专家,订购Linear公司产品不限最低起订量,Linear产品大陆现货即时发货,香港库存3-5天发货,海外库存7-10天发货
寻找全球Linear代理商现货货源 - Linear公司(凌力尔特)电子元件在线订购







