

LTC2143-12 - LTC2143-12是12 位、80Msps、低功率、双通道 ADC
LTC2143-12是Linear公司的一款高速 ADC产品,LTC2143-12是12 位、80Msps、低功率、双通道 ADC,本站介绍了LTC2143-12的封装应用图解、特点和优点、功能等,并给出了与LTC2143-12相关的凌力尔特元器件型号供参考。
LTC2143-12 - 12 位、80Msps、低功率、双通道 ADC
LTC2143-12 - 12 位、80Msps、低功率、双通道 ADC - Linear Technology(凌力尔特)
功能描述
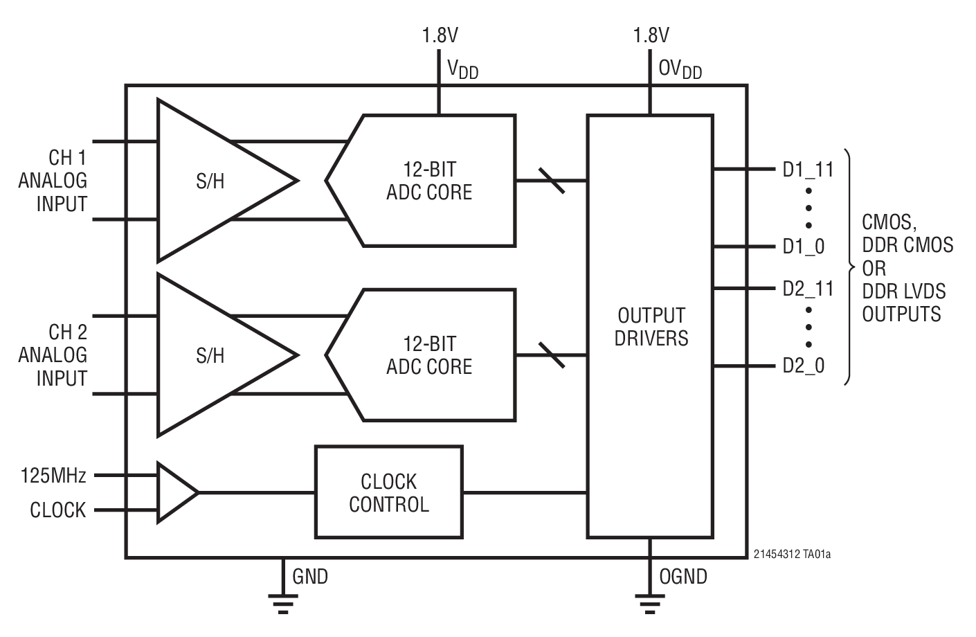
LTC2145-12 / LTC2144-12 / LTC2143-12是两通道同时采样 12 位 A/D 转换器,专为对高频、宽动态范围信号进行数字化处理而设计。这些器件非常适合要求苛刻的通信应用,其 AC 性能包括 70.6dB SNR 和 89dB 无寄生动态范围 (SFDR)。0.08psRMS 的超低抖动实现了 IF 频率的欠采样和卓越的噪声性能。
DC 规格包括整个温度范围内的 ±0.3LSB INL (典型值)、±0.1LSB DNL (典型值) 和无漏失码。转换噪声为 0.3LSBRMS。
数字输出可以是全速率 CMOS、双倍数据速率 CMOS 或双倍数据速率 LVDS。一个单独的输出电源提供了 1.2V 至 1.8V 的 CMOS 输出摆幅。
可以利用一个正弦波、PECL、LVDS、TTL 或 CMOS 输入对 ENC+ 和 ENC-输入进行差分或单端驱动。一个任选的时钟占空比稳定器在全速和多种时钟占空比条件下实现了高性能。
特点
应用
以下列出了不同封装及包装形式的具体型号,并标出了直接在linear官网上订货的价格(美元)
| 器件型号 | 封装 | 温度 | 价格 (以 1 ~ 99 片为批量) | 价格 (以 1000 片为批量) |
|---|---|---|---|---|
| LTC2143CUP-12#PBF | 9x9 QFN-64 | C | $32.86 | $23.00 |
| LTC2143CUP-12#TRPBF | 9x9 QFN-64 | C | $23.06 | |
| LTC2143IUP-12#PBF | 9x9 QFN-64 | I | $37.79 | $26.45 |
| LTC2143IUP-12#TRPBF | 9x9 QFN-64 | I | $26.51 |
下面可能是您感兴趣的Linear Technology(凌力尔特)元器件
下面可能是您感兴趣的Linear公司高速 ADC元器件


Linear公司产品现货专家,订购Linear公司产品不限最低起订量,Linear产品大陆现货即时发货,香港库存3-5天发货,海外库存7-10天发货
寻找全球Linear代理商现货货源 - Linear公司(凌力尔特)电子元件在线订购








