

LTC1922-1 - LTC1922-1是Synchronous Phase Modulated Full-Bridge Controller
LTC1922-1是Linear公司的一款反激式、正激式和隔离式控制器产品,LTC1922-1是Synchronous Phase Modulated Full-Bridge Controller,本站介绍了LTC1922-1的封装应用图解、特点和优点、功能等,并给出了与LTC1922-1相关的凌力尔特元器件型号供参考。
LTC1922-1 - Synchronous Phase Modulated Full-Bridge Controller
LTC1922-1 - Synchronous Phase Modulated Full-Bridge Controller - Linear Technology(凌力尔特)
功能描述
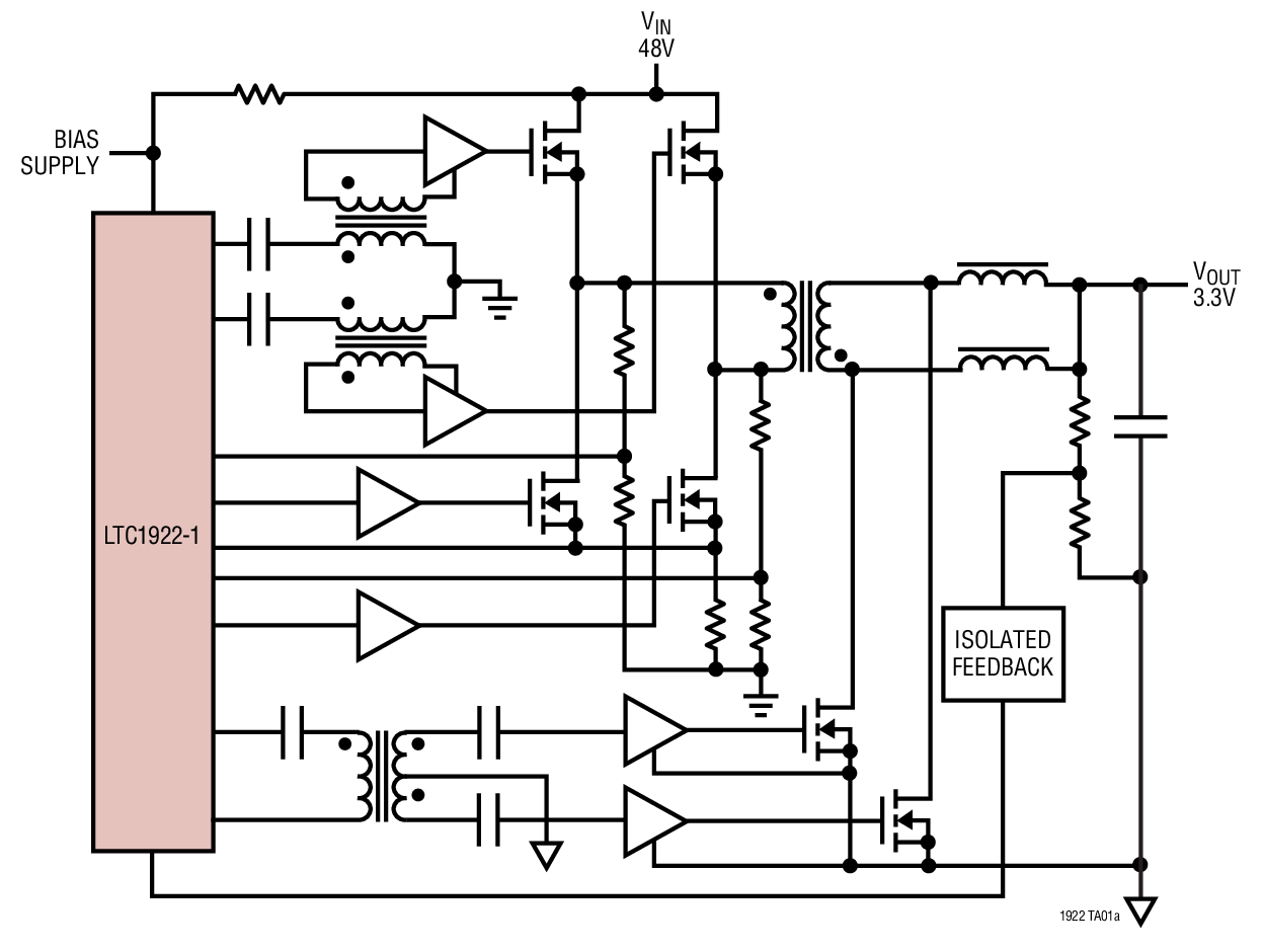
The LTC?1922-1 phase shift PWM controller provides all of the control and protection functions necessary to implement a high performance, zero voltage switched, phase shift, full-bridge power converter with synchronous rectification. The part is ideal for developing isolated, low voltage, high current outputs from a high voltage input source. The LTC1922-1 combines the benefits of the full-bridge topology with fixed frequency, zero voltage switching operation (ZVS). Adaptive ZVS circuity controls the turn-on signals for each MOSFET independent of internal and external component tolerances for optimal performance.The LTC1922-1 also provides secondary side synchronous rectifier control. The device uses peak current mode control with programmable slope comp and leading edge blanking.
The LTC1922-1 features extremely low operating and start-up currents to simplify off-line start-up and bias circuitry. The LTC1922-1 also includes a full range of protection features and is available in 20-pin through hole (N) and surface mount (G) packages.
特点
应用
以下列出了不同封装及包装形式的具体型号,并标出了直接在linear官网上订货的价格(美元)
| 器件型号 | 封装 | 温度 | 价格 (以 1 ~ 99 片为批量) | 价格 (以 1000 片为批量) |
|---|---|---|---|---|
| LTC1922EG-1 | SSOP-20 | E | $6.51 | $5.50 |
| LTC1922EG-1#PBF | SSOP-20 | E | $6.51 | $5.50 |
| LTC1922EG-1#TR | SSOP-20 | E | $5.60 | |
| LTC1922EG-1#TRPBF | SSOP-20 | E | $5.60 | |
| LTC1922EN-1 | N-20 | E | $6.51 | $5.50 |
| LTC1922EN-1#PBF | N-20 | E | $6.51 | $5.50 |
| LTC1922IG-1 | SSOP-20 | I | $7.04 | $5.95 |
| LTC1922IG-1#PBF | SSOP-20 | I | $7.04 | $5.95 |
| LTC1922IG-1#TR | SSOP-20 | I | $6.05 | |
| LTC1922IG-1#TRPBF | SSOP-20 | I | $6.05 | |
| LTC1922IN-1 | N-20 | I | $7.04 | $5.95 |
| LTC1922IN-1#PBF | N-20 | I | $7.04 | $5.95 |
下面可能是您感兴趣的Linear Technology(凌力尔特)元器件
下面可能是您感兴趣的Linear公司反激式、正激式和隔离式控制器元器件


Linear公司产品现货专家,订购Linear公司产品不限最低起订量,Linear产品大陆现货即时发货,香港库存3-5天发货,海外库存7-10天发货
寻找全球Linear代理商现货货源 - Linear公司(凌力尔特)电子元件在线订购







