

LM101AW - LM101AW是运算放大器
LM101AW是Linear公司的一款合乎航天使用要求的放大器产品,LM101AW是运算放大器,本站介绍了LM101AW的封装应用图解、特点和优点、功能等,并给出了与LM101AW相关的凌力尔特元器件型号供参考。
LM101AW - 运算放大器
LM101A - 运算放大器 - Linear Technology(凌力尔特)
功能描述
停产产品,产品手册仅供参考
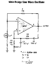
LM101A 和 LM107 是通用型运算放大器,具有低偏置电流,并能够在高输入差分电压(达 30V) 条件下运作。与许多 FET 输入放大器不同,LM101A/107 的输出不会在共模范围被超过的情况下发生反向,从而使它们特别适合于比较器和振荡器电路。
LM101A 采用外部补偿,因而允许针对具体应用来优化频率响应和转换速率。LM107 与 LM101A 基本相同,唯一的差别是 LM107 的补偿电容器是内置的。凌力尔特的 LM101A 和 LM107 运用了改良的设计和处理方法,从而实现了优于以往器件的上佳长期稳定性和可靠性。偏置电流与差分输入电压的关系曲线显示:在一个很宽的输入信号范围内,输入电流发生的变化极小,这一点在许多应用中都是很重要的。
特点
应用
以下列出了不同封装及包装形式的具体型号,并标出了直接在linear官网上订货的价格(美元)
下面可能是您感兴趣的Linear Technology(凌力尔特)元器件
下面可能是您感兴趣的Linear公司合乎航天使用要求的放大器元器件


Linear公司产品现货专家,订购Linear公司产品不限最低起订量,Linear产品大陆现货即时发货,香港库存3-5天发货,海外库存7-10天发货
寻找全球Linear代理商现货货源 - Linear公司(凌力尔特)电子元件在线订购






