

LTC2953-2 - LTC2953-2是具电压监视功能的按钮接通/关断控制器
LTC2953-2是Linear公司的一款单电源监视器产品,LTC2953-2是具电压监视功能的按钮接通/关断控制器,本站介绍了LTC2953-2的封装应用图解、特点和优点、功能等,并给出了与LTC2953-2相关的凌力尔特元器件型号供参考。
LTC2953-2 - 具电压监视功能的按钮接通/关断控制器
LTC2953 - 具电压监视功能的按钮接通/关断控制器 - Linear Technology(凌力尔特)
功能描述
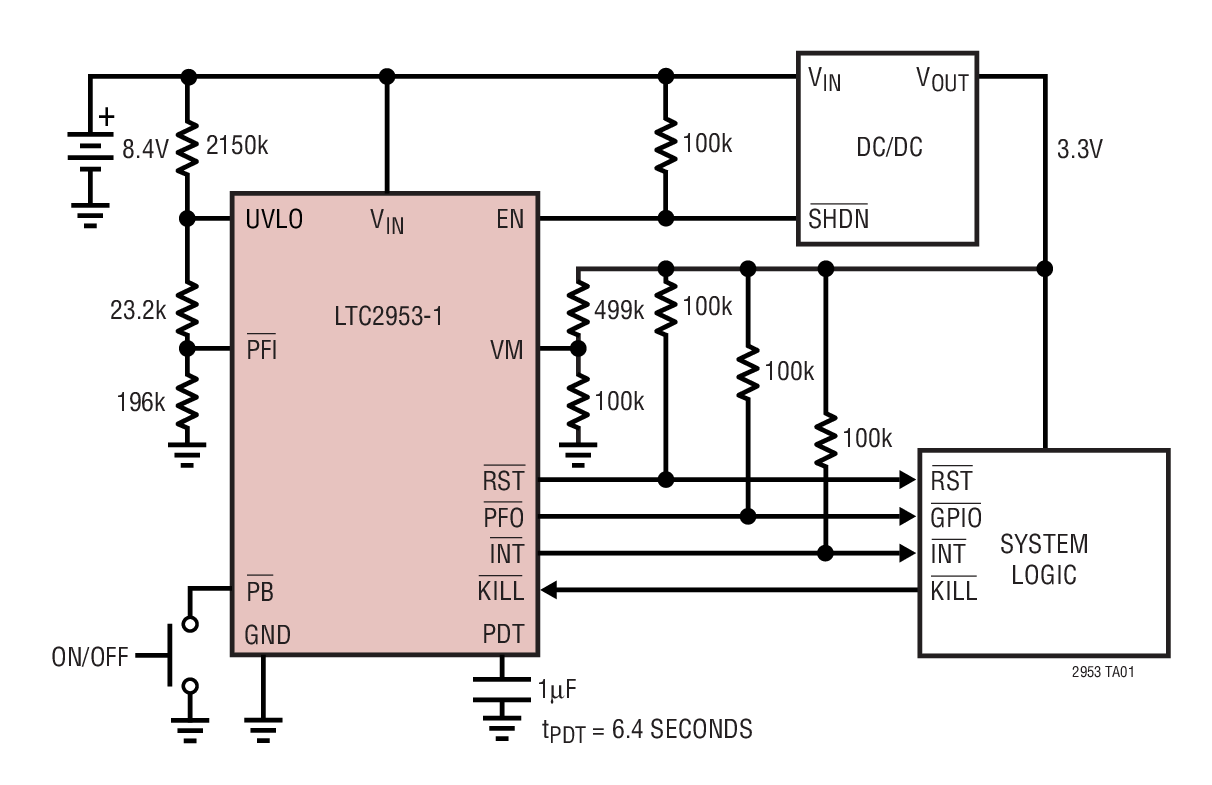
LTC2953 是一款按钮接通/关断控制器,用于通过一个按钮界面来管理系统电源。一个使能输入负责系统电源的变换,而一个中断输出则用于提供防反跳按钮状态。该中断输出可在菜单驱动型应用中使用,以请求执行系统断电操作。
LTC2953 还具有输入和输出电源监视器。一个独立的电源故障比较器负责提供实时输入监视信息,而一个去干扰欠压闭锁比较器则能够平滑地启动系统断电操作。该欠压闭锁比较器可防止从一个低电压电源来给系统供电。
将可调电源监视器输入与一个准确的 0.5V 内部基准进行比较。复位输出将保持低电平,直到电源监视器输入符合规格要求的时间持续 200ms 为止。
LTC2953 可在 2.7V 至 27V 的宽输入电压范围内运作,且仅消耗 14μA 的电流。该器件的两种版本可适应正或负启用极性。
特点
应用
以下列出了不同封装及包装形式的具体型号,并标出了直接在linear官网上订货的价格(美元)
| 器件型号 | 封装 | 温度 | 价格 (以 1 ~ 99 片为批量) | 价格 (以 1000 片为批量) |
|---|---|---|---|---|
| LTC2953CDD-1#PBF | 3x3 DFN-12 | C | $3.29 | $2.30 |
| LTC2953CDD-1#TRPBF | 3x3 DFN-12 | C | $2.36 | |
| LTC2953CDD-2#PBF | 3x3 DFN-12 | C | $3.29 | $2.30 |
| LTC2953CDD-2#TRPBF | 3x3 DFN-12 | C | $2.36 | |
| LTC2953IDD-1#PBF | 3x3 DFN-12 | I | $3.94 | $2.76 |
| LTC2953IDD-1#TRPBF | 3x3 DFN-12 | I | $2.82 | |
| LTC2953IDD-2#PBF | 3x3 DFN-12 | I | $3.94 | $2.76 |
| LTC2953IDD-2#TRPBF | 3x3 DFN-12 | I | $2.82 |
下面可能是您感兴趣的Linear Technology(凌力尔特)元器件
下面可能是您感兴趣的Linear公司单电源监视器元器件


Linear公司产品现货专家,订购Linear公司产品不限最低起订量,Linear产品大陆现货即时发货,香港库存3-5天发货,海外库存7-10天发货
寻找全球Linear代理商现货货源 - Linear公司(凌力尔特)电子元件在线订购







